
| 型式 | BLS-1000 | BLS-1500 | BLS-1600 | BLS-1200 SR | BLS-1500 SR |
|---|---|---|---|---|---|
| 規格 | |||||
| 積載能力 kg | 1000 | 1500 | 1600 | 1200 | 1500 |
| 動力源 | DC-24V | DC-24V | DC-24V | ||
| 行走馬達 kw | 1.0 | 1.0 | 1.5 | 1.5 | |
| 昇降馬達 kw | 2.0 | 2.0 | 3 | 3.0 | |
| 空載行走速度 km/h | 5 | 5 | 6 | 4.5 | |
| 負載行走速度 km/h | 4 | 4 | 5.5 | 3.5 | |
| 空載爬坡能力 % | 8 | 8 | 12 | 8 | |
| 負載爬坡能力 % | 6 | 6 | 8 | 6 | |
| 操作方式 mm | 立乘式 | 立乘式 | 立乘式 | ||
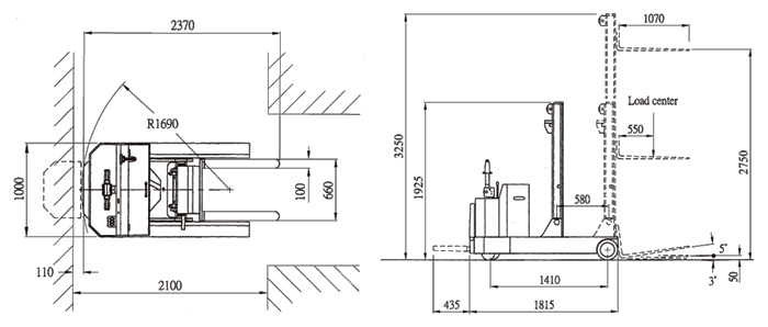
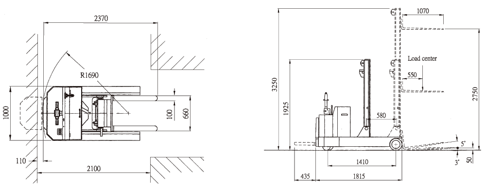
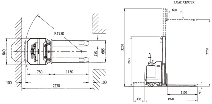
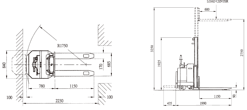
| 機台全長 mm | 1775 | 1925 | 1990 | 2370 | 2470 |
| 揚昇高度 mm | 2750 | 2750 | 2750 | 2750 | |
| 全昇機台 mm | 3250 | 3250 | 3250 | 3250 | |
| 全降機高 mm | 1925 | 1925 | 1925 | 1925 | |
| 桅桿伸縮行程 mm | 無 | 無 | 580 | ||
| 貨叉傾斜角度 degree | 無 | 無 | 前傾3˚ / 後仰5˚ | ||
| 迴轉半徑 mm | 1550 | 1660 | 1750 | 1690 | 1790 |
| 直角通道寬 mm | 1995 | 2150 | 2210 | 2100 | 2200 |
| 煞車器 | 電磁式 | 電磁式 | 電磁式 | ||
| 行走控制器 | 電子三段式 | 微電腦無段式 | 微電腦無段式 | ||
| 驅動輪 mm | 230*75 | 230*75 | 230*75 | ||
| 負載輪 mm | 80*70 | 80*70 | 250*75 | ||
| 輔助輪 mm | 150*50 | 150*50 | 150*50 | ||
| 電瓶 | 100Ah/20hr*2只 | 180 Ah/5hr | 240 Ah/5hr | ||
| 電瓶重量 kg | 80 | 80 | 215 | 245 | |
| 機台重量 kg | 690 | 810 | 1180 | 1900 | 2000 |
| 充電機 | DC-24V/20A | DC-24V/30A | DC-24V/40A | ||
| 牙叉外寬 | 685 | 685 | 685 | 660 | |
| 牙叉長度 | 1000 | 1150 | 1150 | 1070 | |

